Cerradura Para Mueble C/puerta De Vidrio

$238
Tienda
todo herrajes y mas

Disponibilidad: Hay existencias

Descripción

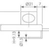
Cerradura para mueble con puerta de vidrio tipo batientes foto original del producto trae dos llaves en la segunda foto están las medidas detalladas
Soy todo herrajes y más

Garantía del vendedor: 6 meses